LHT-III諧波減速機詳細信息/Detailed Information
LHT-III諧波減速機
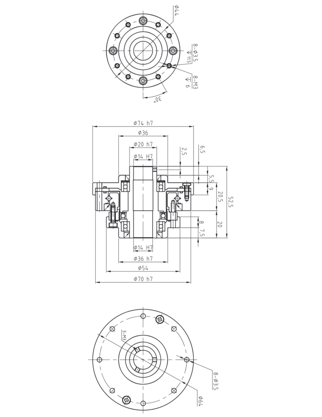
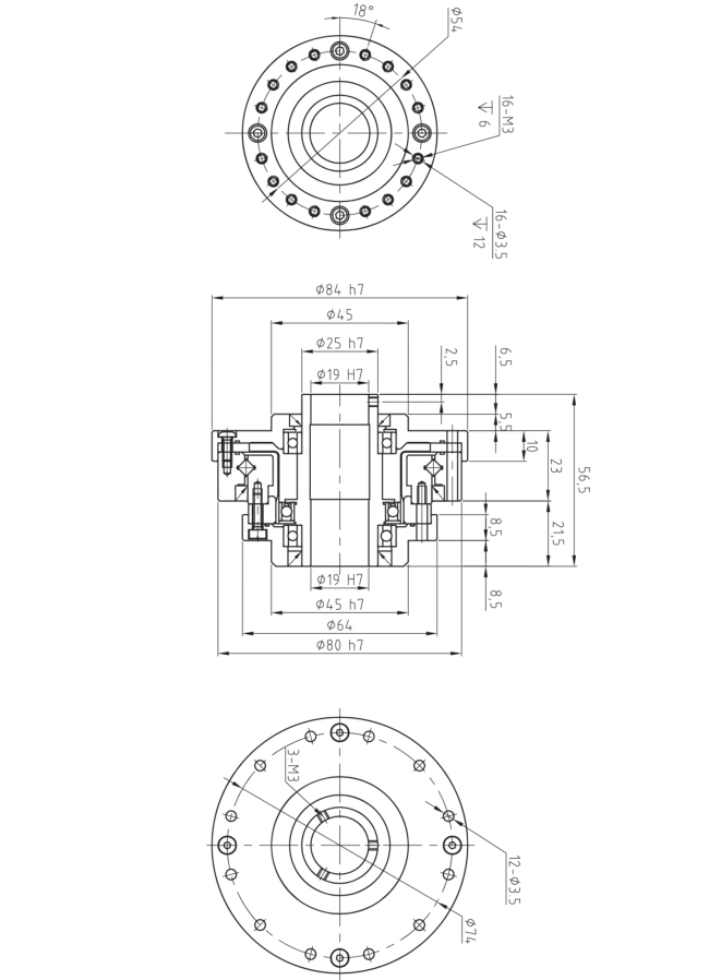
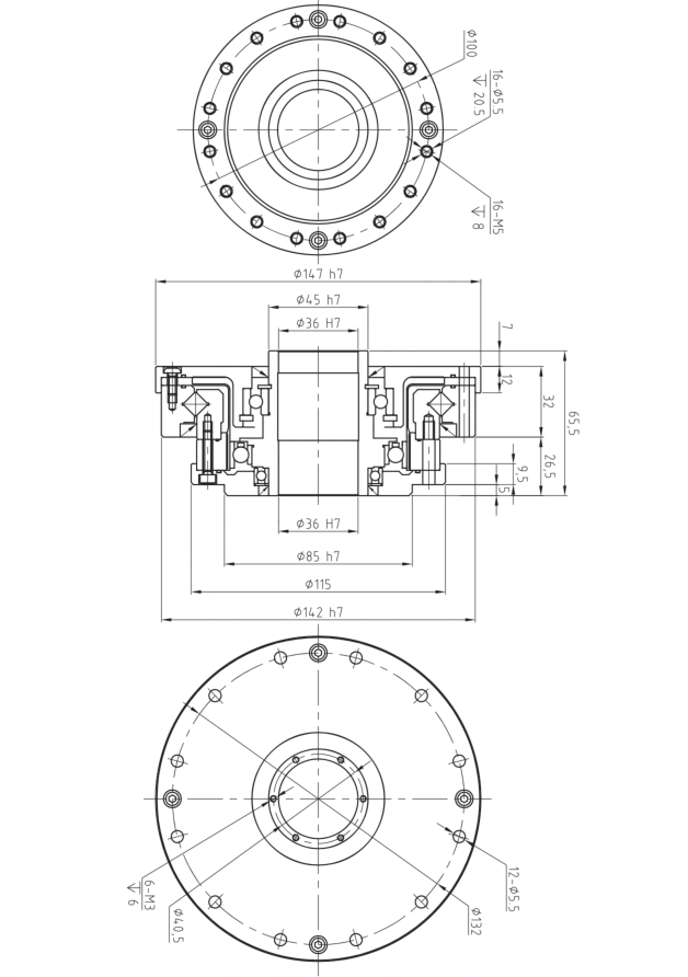
減速機規格:LHT-III諧波減速機
減速機型號:LHT14 LHT17 LHT20 LHT25 LHT32
減速機比數:對應比數
減速機可配電機:對應功率
應用范圍:機器人,分割器代替的場所。
關鍵詞:關節諧波減速機,LHT32關節減速機,LHT諧波減速器,機器人諧波減速機
LHT-III諧波減速機特點:LHT-III系列柔輪為中空翻邊形標準筒結構,波發生器凸輪中部有大口徑中空軸孔,減速器內部設計有支撐軸承,全密封接收,安裝簡便,非常適合于需從減速器中心穿線的場合使用。
	LHT-III諧波減速機原理:
諧波作為減速機使用,通常采用波發生器主動,剛輪固定,柔輪輸出形式;當波發生器裝入柔輪內圓時,迫使柔輪產生彈性變形而呈橢圓形,使其長軸處柔輪輪齒插入剛輪的輪齒槽內,成為完全嚙合狀態;而其短軸處兩輪輪齒完全不接觸,處于脫開狀態。諧波減速機由嚙合到脫開的過程之間則處于嚙出或嚙入狀態。當波發生器鏈接續動時,迫使柔輪不斷生產變形,使兩輪輪齒在進行嚙入、嚙合、嚙出、脫出的過程中不斷改變各自的工作狀態,產生了所謂的錯齒運動,從而實現了主動波發生器與柔輪的運動傳遞
LHT-III諧波減速機圖片:(此圖由VEMT推廣部人員上傳,請以實物圖為準,可撥打電話15818497138獲取實物圖)
	 
 
LHT-III諧波減速機參數:查看其他諧波減速機型號,請點擊鏈接:http://www.5x5d.com/guanjiejiansuji.html
	 
 
LHT-III諧波減速機安裝步驟
	 
 
	 
 
購買須知:我司VEMT品牌所有系列產品,標準常用的,倉庫均備有現貨2000臺左右,非常用的需排單定做,請聯系客服咨詢貨期。凡購買我司品牌VEMT系列產品,不分價格高低,兩年內免費維修,免費換新。兩年后免費維修,只收取零件成本費用,包含海外以及港澳臺區域。因各種設備企業對產品的要求標準不同,如果您的設備是出口的,請告知客服轉接我司VEMT工程部,告知您的高標準,我們VEMT工程部會為您量身定做百分百符合要求的產品。
跟此產品相關的產品 / Related Products
聯系祥如機電
 全國咨詢熱線
            全國咨詢熱線
            13528634927
微信13528634927

 VEMTE致力于打造節能環保電機減速機電機
VEMTE致力于打造節能環保電機減速機電機
				


 
 
 










