RVA系列機器人RV關節減速機詳細信息/Detailed Information
RVA系列機器人RV關節減速機
減速機規格: A系列機器人RV關節減速機
減速機型號:120BX 150BX 190BX 220BX 250BX 280BX 320BX 370BX
減速機比數:對應比數
減速機可配電機:對應功率
應用范圍:機器人,分割器代替的場所。
        訂購熱線:13528634927
    
關鍵詞:RVA系列機器人RV關節減速機,擺線減速機,機器人用減速機,關節減速機
A系列擺線針輪RV關節減速機-使用:使用擺線針輪RV減速機時,請遵守以下條件:環境溫度:0~40°C,無腐蝕性,爆炸性汽車,不濺到水,油等,無金屬粉等灰塵。請根據規定精度實施安裝,請正確設計,組裝各種不濺,確保其能夠達到產品目錄中的推薦安裝精度。達不到規定精度可能會導致振動,縮短使用壽命,精度下降,損壞等故障。請使用規定的方法安裝,組裝方法,順序,請按產品目錄正確實施,擰緊方法(使用螺栓等),請遵守本公司建議,如未正確組裝,運轉時可能會導致振動,縮短使用壽命,精度下降,損壞等故障。請使用規定的潤滑劑,不使用本公司推薦的潤滑劑,可能會縮短產品的使用壽命。此外,請按規定的條件更換潤滑劑。組合型產品已預先封入潤滑脂,請不要混入其他潤滑脂。
A系列擺線針輪RV關節減速機減速機圖片:(此圖由VEMT推廣部人員上傳,請以實物圖為準,可撥打電話15818497138獲取實物圖)
	 
 
A系列擺線針輪RV關節減速機零部件圖:
	 
 
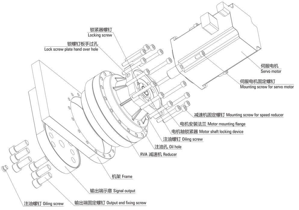
A系列擺線針輪RV關節減速機安裝圖:查看其他RV減速機型號,請點擊鏈接:http://www.5x5d.com/guanjiejiansuji.html
	 
 
	 
 
購買須知:我司VEMT品牌所有系列產品,標準常用的,倉庫均備有現貨2000臺左右,非常用的需排單定做,請聯系客服咨詢貨期。凡購買我司品牌VEMT系列產品,不分價格高低,兩年內免費維修,免費換新。兩年后免費維修,只收取零件成本費用,包含海外以及港澳臺區域。因各種設備企業對產品的要求標準不同,如果您的設備是出口的,請告知客服轉接我司VEMT工程部,告知您的高標準,我們VEMT工程部會為您量身定做百分百符合要求的產品。
跟此產品相關的產品 / Related Products
        祥如機電產品中心
        Product Center
       
        
        聯系祥如機電
 全國咨詢熱線
            全國咨詢熱線
            13528634927
微信13528634927

 VEMTE致力于打造節能環保電機減速機電機
VEMTE致力于打造節能環保電機減速機電機
				


 
 
 
 
 
 
 
 







