E系列擺線針輪RV減速機詳細信息/Detailed Information
E系列擺線針輪RV減速機
減速機規格:E系列擺線針輪RV減速機
減速機型號:120BX 150BX 190BX 220BX 250BX 280BX 320BX 370BX
減速機比數:對應比數
減速機可配電機:對應功率
應用范圍:機器人,分割器代替的場所。
        訂購熱線:13528634927
    
	
 
關鍵詞:E系列擺線針輪RV減速機,220BX機器人減速器,250BX行星減速機,280BXRV減速機
	 
E系列擺線針輪RV減速機技術要求:
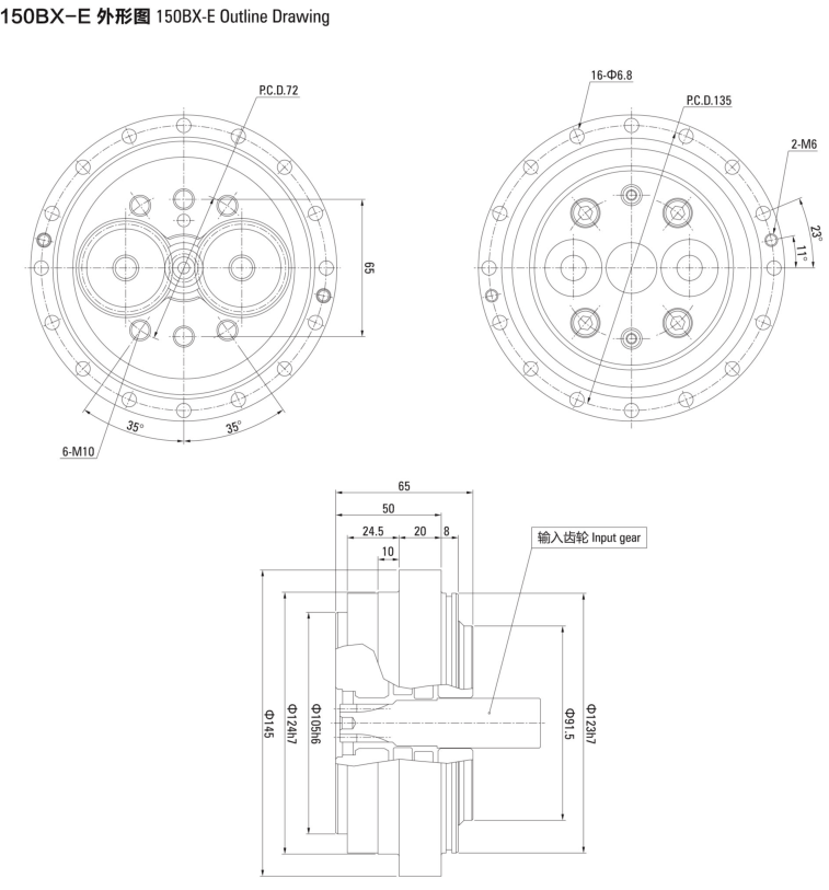
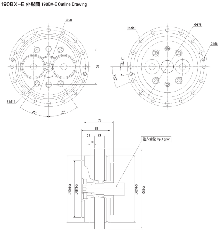
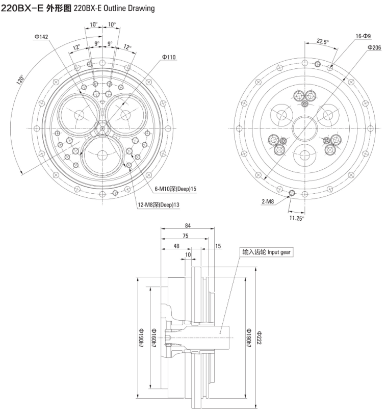
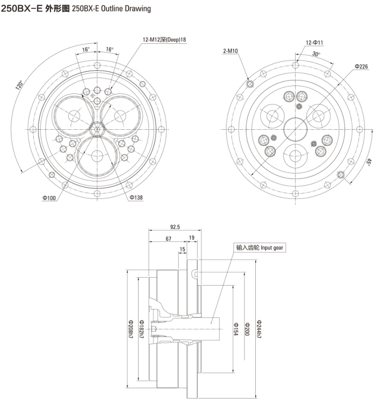
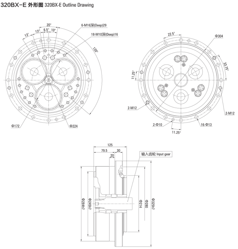
外觀質量標志:減速機外觀應整潔、美觀,標志清晰,正確。減速機吧表面不應有碰傷,劃痕,毛刺,凹坑和銹蝕等明顯缺陷。緊固件鏈接應牢靠,鎖緊,密封應可靠。標志的字跡應清晰、正確,經規定的環境條件試驗后,標記和字跡仍應清晰可見。減速器應有可靠的防銹措施。基本尺寸:減速器的外形尺寸,安裝尺寸應符合P09-919和P20-P27的圖紙或考核要求并得到客戶確認的圖紙要求。輸入齒輪軸、安裝法蘭等可依客戶要求生產,生產前相關圖紙應得到客戶的確認。
噪聲:減速器在輸入轉速≤3000r/min下空載運行,其噪聲應小于70+3dB(A)。
空轉試驗:空轉運行試驗,減速器在輸入轉速≤3000r/min下空載運行10min,減速器運轉應平穩正常,無異常貨沖擊性噪聲。速比試驗,減速器速比應符合標定值。
轉矩:減速器在額定輸出轉矩條件下連續運轉2小時以上,減速器能正常運轉,無異音。減速器在工作環境溫度,額定負載下連續公眾,減速器殼溫升應小于40°C,軸承溫度小于95°C。減速器傳動效率應要求。減速器輸出轉矩應符合規定。
在下列的環境條件下,E系列擺線針輪RV減速機方能正常運行:環境空氣高溫度隨季節而變化,但不超過40°C;環境空氣低溫度為-10°C。
E系列擺線針輪RV減速機圖片:(此圖由VEMT推廣部人員上傳,請以實物圖為準,可撥打電話15818497138獲取實物圖)
	 
 
E系列擺線針輪RV減速機部件:查看更多E系列機器人行星減速機,請點擊鏈接http://www.5x5d.com/guanjiejiansuji.html
	 
 
E系列擺線針輪RV減速機型號:
	 
 
	 
 
購買須知:我司VEMT品牌所有系列產品,標準常用的,倉庫均備有現貨2000臺左右,非常用的需排單定做,請聯系客服咨詢貨期。凡購買我司品牌VEMT系列產品,不分價格高低,兩年內免費維修,免費換新。兩年后免費維修,只收取零件成本費用,包含海外以及港澳臺區域。因各種設備企業對產品的要求標準不同,如果您的設備是出口的,請告知客服轉接我司VEMT工程部,告知您的高標準,我們VEMT工程部會為您量身定做百分百符合要求的產品。
跟此產品相關的產品 / Related Products
        祥如機電產品中心
        Product Center
       
        
        聯系祥如機電
 全國咨詢熱線
            全國咨詢熱線
            13528634927
微信13528634927

 VEMTE致力于打造節能環保電機減速機電機
VEMTE致力于打造節能環保電機減速機電機
				


 
 
 
 
 
 
 
 
 
 






