K系列傘齒輪減速機 錐齒輪減速機 K系列傘齒斜齒輪減速機詳細信息/Detailed Information
K系列傘齒輪減速機 錐齒輪減速機 K系列傘齒斜齒輪減速機
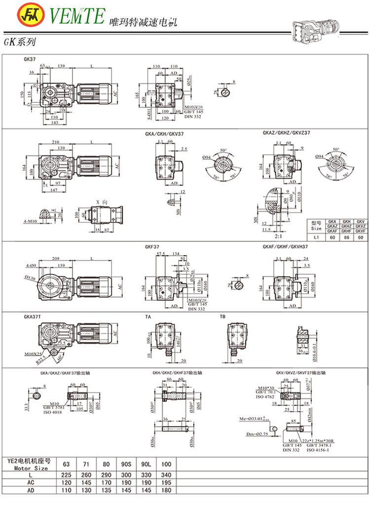
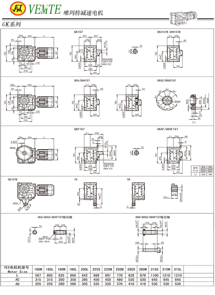
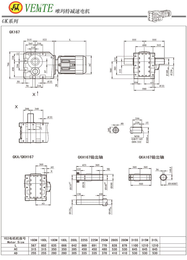
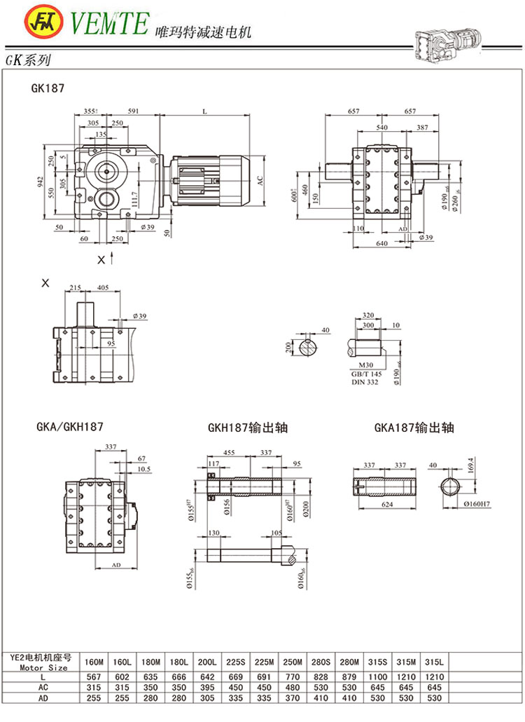
減速機型號:K37-187 KA37-187 KH37-187 KV37-187 KF37-187 KAF37-187 KHF37-187 KVF37-187 KAZ37-187 KHZ37-187 KVZ37-187
電機 功率:0.12KW-160KW
輸入 轉速:710-1400RPM
減速機扭矩:3.5-50000N/M
減速機比數:1比-24000比
輸出轉速范圍:0.8-350RPM
"VEMT減速機"K系列有多款型號.可根據需求,訂做各種顏色.了解K系列尺寸參數請點擊上方型號
	K系列減速器基本版型:
K底腳安裝傘齒-斜齒減速機
KA..B底腳空心軸安裝傘齒-斜齒減速機
KV..B底腳花鍵空心軸(DIN5480)安裝傘齒-斜齒減速機
KH..B底腳空心軸鎖緊盤安裝傘齒-斜齒減速機
KFB5法蘭安裝傘齒-斜齒減速機
KAFB5法蘭空心軸安裝傘齒-斜齒減速機
KVFB5法蘭花鍵空心軸(DIN5480)安裝傘齒-斜齒減速機
	 KHFB5法蘭空心軸鎖緊盤安裝傘齒-斜齒減速機
KHFB5法蘭空心軸鎖緊盤安裝傘齒-斜齒減速機
KA空心軸安裝傘齒-斜齒減速機
KV花鍵空心軸(DIN5480)安裝傘齒-斜齒減速機
KH空心軸鎖緊盤安裝傘齒-斜齒減速機
KT空心軸扭力臂安裝傘齒-斜齒減速機
KAZB14法蘭空心軸安裝傘齒-斜齒減速機
KVZB14法蘭花鍵空心軸(DIN5480)安裝傘齒-斜齒減速機
KHZB14法蘭空心軸鎖緊盤安裝傘齒-斜齒減速機
K系列減速機廠家圖片:(此圖由VEMT推廣部人員上傳,請以實物圖為準,可撥打電話0769-85992468獲取實物圖) 
		 
 
	
K系列減速機輸入版型:
直聯電機輸入AM(IEC)法蘭輸入
AD軸輸入
K系列減速機性能特點:
		1.垂直輸出、結構緊湊、硬齒面傳遞扭矩大、高精度的齒輪保證了工作平穩、噪音低、壽命長。
2.K系列減速機安裝方式:底腳安裝、空心軸安裝、法蘭安裝、扭力臂安裝、小法蘭安裝。
3.輸入方式:電機直聯、電機皮帶聯接或輸入軸、聯接法蘭輸入。
4.輸出方式:空心軸輸出或實心軸輸出,平均效率為94%。
5.和R系列組合能得到更大的速比。
	
		 
 
	
K系列減速機-型號:http://www.5x5d.com/kxiliejiansuji.html
K37減速機、K47減速機、K57減速機、K67減速機、K77減速機、K87減速機、K97減速機、K107減速機、K127減速機、K157減速機、K167減速機、KF37減速機、KF47減速機、KF57減速機、KF67減速機、KF77減速機、KF87減速機、KF97減速機、KF107減速機、KF127減速機、KF157減速機、KA37減速機、KA47減速機、KA57減速機、KA67減速機、KA77減速機、KA87減速機、KA97減速機、KA107減速機、KA127減速機、KA157減速機、KA167減速機、KA187減速機、KH37減速機、KH47減速機、KH57減速機、KH67減速機、KH77減速機、KH87減速機、KH97減速機、KH107減速機、KH127減速機、KH157減速機、KH167減速機、KH187減速機、KV37減速機、KV47減速機、KV57減速機、KV67減速機、KV77減速機、KV87減速機、KV97減速機、KV107減速機、KV127減速機、KV157減速機、KV167減速機、KV187減速機、KAF37減速機、KAF47減速機、KAF57減速機、KAF67減速機、KAF77減速機、KAF87減速機、KAF97減速機、KAF107減速機、KAF127減速機、KAF157減速機、KAF167減速機、KAF187減速機、KHF37減速機、KHF47減速機、KHF57減速機、KHF67減速機、KHF77減速機、KHF87減速機、KHF97減速機、KHF107減速機、KHF127減速機、KHF157減速機、KHF167減速機、KHF187減速機、KVF37減速機、KVF47減速機、KVF57減速機、KVF67減速機、KVF77減速機、KVF87減速機、KVF97減速機、KVF107減速機、KVF127減速機、KVF157減速機、KVF167減速機、KVF187減速機、KAZ37減速機、KAZ47減速機、KAZ57減速機、KAZ67減速機、KAZ77減速機、KAZ87減速機、KAZ97減速機、KAZ107減速機、KAZ127減速機、KAZ157減速機、KAZ167減速機、KAZ187減速機、KHZ37減速機、KHZ47減速機、KHZ57減速機、KHZ67減速機、KHZ77減速機、KHZ87減速機、KHZ97減速機、KHZ107減速機、KHZ127減速機、KHZ157減速機、KHZ167減速機、KHZ187減速機、KVZ37減速機、KVZ47減速機、KVZ57減速機、KVZ67減速機、KVZ77減速機、KVZ87減速機、KVZ97減速機、KVZ107減速機、KVZ127減速機、KVZ157減速機、KVZ167減速機、KVZ187減速機、KA37B減速機、KA47B減速機、KA57B減速機、KA67B減速機、KA77B減速機、KA87B減速機、KA97B減速機、KA107B減速機、KA127B減速機、KA157B減速機、KA167B減速機、KA187B減速機、KH37B減速機、KH47B減速機、KH57B減速機、KH67B減速機、KH77B減速機、KH87B減速機、KH97B減速機、KH107B減速機、KH127B減速機、KH157B減速機、KH167B減速機、KH187B減速機、KV37B減速機、KV47B減速機、KV57B減速機、KV67B減速機、KV77B減速機、KV87B減速機、KV97B減速機、KV107B減速機、KV127B減速機、KV157B減速機、KV167B減速機、KV187B減速機、同時還可以跟R系列減速機,F系列減速機,S系列減速機的任意型號組合
購買須知:我司VEMT品牌所有系列產品,標準常用的,倉庫均備有現貨2000臺左右,非常用的需排單定做,請聯系客服咨詢貨期。凡購買我司品牌VEMT系列產品,不分價格高低,兩年內免費維修,免費換新。兩年后免費維修,只收取零件成本費用,包含海外以及港澳臺區域。因各種設備企業對產品的要求標準不同,如果您的設備是出口的,請告知客服轉接我司VEMT工程部,告知您的高標準,我們VEMT工程部會為您量身定做百分百符合要求的產品。
應用領域
產品廣泛用于橡膠機械,包裝機械,電鍍設備,陶瓷設備,木工機械設備,印刷機械,環保設備,煙草機械,醫療及自動化設備等。
	 
 
聯系祥如機電
 全國咨詢熱線
            全國咨詢熱線
            13528634927
微信13528634927

 VEMTE致力于打造節能環保電機減速機電機
VEMTE致力于打造節能環保電機減速機電機
				


 
 
 
 
 
 
 
 
 
 
 
 
 
 
 
 
 
 
 
 
 
 
 







