R67減速機 同軸減速電機 RX67 RXF67 RF67詳細信息/Detailed Information
R67減速機 同軸減速電機 RX67 RXF67 RF67
減速機型號:R67 RX67 RF67 RXF67
電機 功率:0.12KW-132KW
輸入 轉速:710-1400RPM
減速機扭矩:3.5-18000N/M
減速機比數:1比-24000比
輸出轉速范圍:0.8-700RPM
r67減速機_rx67減速電機_r系列減速箱_rf67減速機_rxf67減速器
R67減速機-潤滑油
	R67減速機般選用220#齒輪油,對重負荷、啟動頻繁、使用環境較差的斜齒輪減速機,可選用些潤滑油添加劑,使R系列減速機在停止運轉時齒輪油依然附著在齒輪表面,形成保護膜,防止重負荷、低速、高轉矩和啟動時金屬間的直接接觸。添加劑中含有密封圈調節劑和抗漏劑,使密封圈保持柔軟和彈性,有效減少潤滑油漏。R67減速機潤滑油加注量M1安裝:0.3/0.95L;M2安裝:0.85L;M3安裝:0.95L;M4安裝:1.05L;M5安裝:0.75L;M6安裝:0.95L。RF67減速機潤滑油加注量M1安裝:0.35/0.95L;M2安裝:0.9L;M3安裝:0.95L;M4安裝:1.05L;M5安裝:0.75L;M6安裝: 0.95L。
 
	 
 
R67減速機-主要材料:
箱體:HT250高強度鑄鐵,射型內腔,有效減少零件磨損;
齒輪:20CrMo優質合金鋼,碳氮共滲處理(精磨后保持齒面硬度HRC60);
平鍵:45鋼,表面硬度HRC50。
	 
 
R67減速機-效率:
采用了高精度齒輪、油封、軸承,有效降低了摩擦,齒輪傳動的間小路可達97%;
在某些安裝方式時,輸入齒輪完全浸再潤滑油中,對于大機座號和高輸入轉速的情況,須考慮攪油損失。
R67減速機-使用條件:
環境溫度-40至50°C(0°C以下啟動時潤滑油需加熱到0°C以上或采用防凍潤滑油);
輸入轉速不大于2800轉/分;
可用于正反轉;
無行業限制。
R67減速機-型號:http://www.5x5d.com/rxiliejiansuji.html 其他R系列安裝尺寸圖紙,請點擊鏈接獲取
R67減速機-基本版型
	RX67底腳安裝斜齒輪減速機
RXF67底腳安裝單斜齒輪減速機
R67法蘭安裝單斜齒輪減速機
RF67法蘭立式安裝斜齒輪減速機 
R67F法蘭臥式安裝斜齒輪減速機 
RZ67法蘭安裝斜齒輪減速機 
R67減速機-圖片:(此圖由VEMT推廣部人員上傳,請以實物圖為準,可撥打電話0769-85992468獲取實物圖)
	 
 
R67減速機-輸入版型
直聯電機輸入
AM(IEC)法蘭輸入
AD軸輸入
R67減速機-特點:
此R系列減速機采用了系列化、模塊化的設計,傳動比覆蓋范圍廣、分精細;
傳動效率高,耗能低,性能優越;
齒輪經高精度磨齒機磨削加工,傳動平穩,噪音低,承載能力大,壽命長;
設計精巧,體積小,安裝簡便,用途廣泛;
安裝方式多樣,適合全方位的能安裝配置;
可實現R系列減速機、F系列減速電機、K系列減速機、S系列減速機與RF系列雙聯體組合,適用于特殊低速的應用。
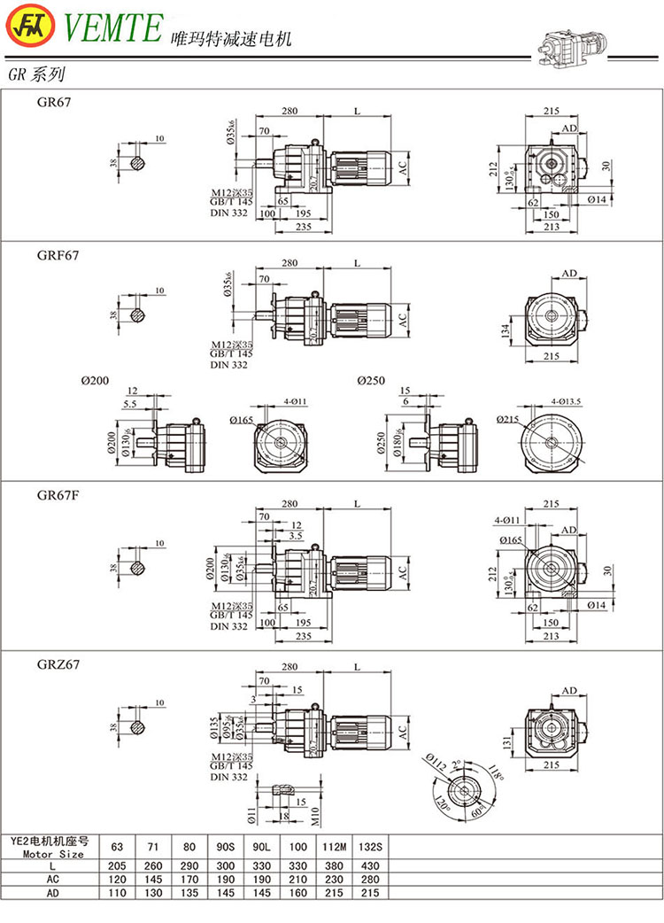
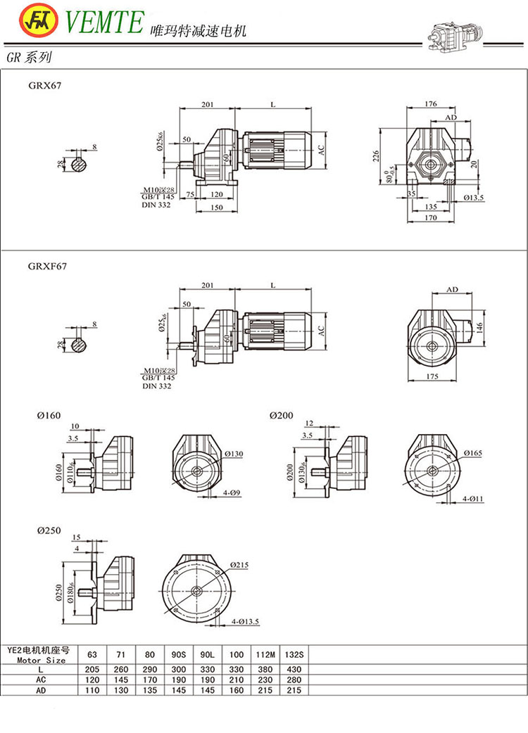
R67減速機-尺寸圖紙:
	
 
	RX67減速機尺寸圖紙:
 
 
購買須知:我司VEMT品牌所有系列產品,標準常用的,倉庫均備有現貨2000臺左右,非常用的需排單定做,請聯系客服咨詢貨期。凡購買我司品牌VEMT系列產品,不分價格高低,兩年內免費維修,免費換新。兩年后免費維修,只收取零件成本費用,包含海外以及港澳臺區域。因各種設備企業對產品的要求標準不同,如果您的設備是出口的,請告知客服轉接我司VEMT工程部,告知您的高標準,我們VEMT工程部會為您量身定做百分百符合要求的產品。
跟此產品相關的產品 / Related Products
聯系祥如機電
 全國咨詢熱線
            全國咨詢熱線
            13528634927
微信13528634927

 VEMTE致力于打造節能環保電機減速機電機
VEMTE致力于打造節能環保電機減速機電機
				









