NMRV130減速機詳細信息/Detailed Information
NMRV130減速機
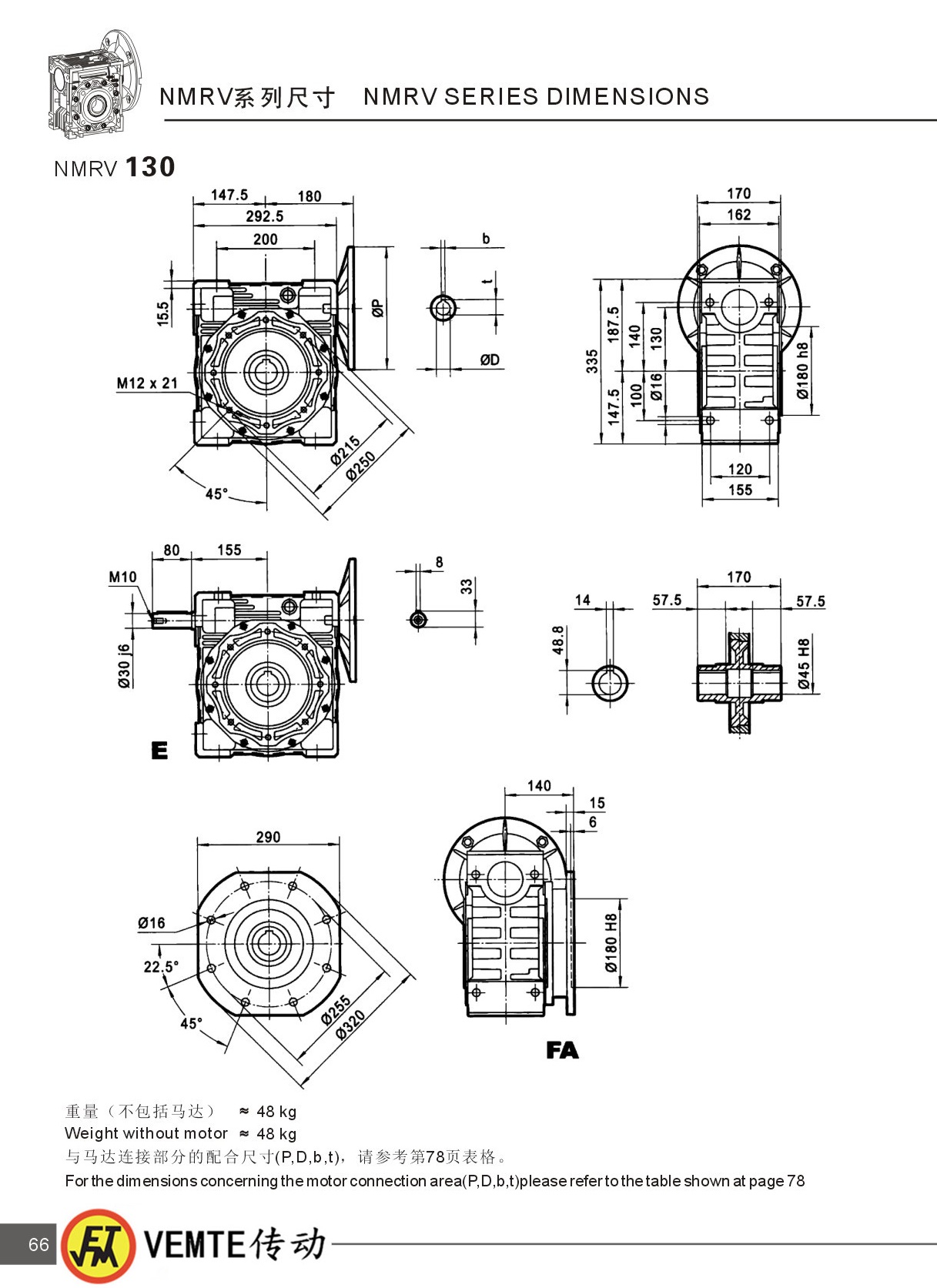
減速機型號:NMRV130
電機 功率:0.04KW-15KW
減速機扭矩:3-3500N.m
減速機比數:5-10000
應用 范圍:包裝設備,電鍍設備,陶瓷設備,印刷設備,塑料機械,液壓設備,清洗設備等等
關鍵詞:nmrv130減速機_RV130蝸輪蝸桿減速器_NRV130蝸輪減速箱_130渦輪渦桿減速電機
NMRV130減速機-涂漆:
此款NMRV130減速機為鑄鐵外殼
鑄鐵外殼 先涂紅色防銹漆,后噴RAL5010白色或銀白色涂料。
先拋丸處理,再經特種防腐處理,保持銀白金屬感,并耐汽油,二甲醛等有機溶劑的腐蝕;
磷化處理后,再噴RAL5010蘭色或白色涂料。
NMRV130減速機-技術參數:
靜態解鎖:靜態解鎖是指當減速箱在停止狀態,輸出軸上的負載不能把蝸桿推動。此條件要求靜態效率ηs<0.5。
NMRV130減速機效率:效率是減速器的個重要參數,取決于蝸桿蝸輪傳動副的設計和摩擦狀況。這些值只針對在磨合期渡過后的減速器
動態自鎖:動態自鎖是指當馬達端的輸入軸突然停止時,輸出軸能同步停止。此條件要求動態效率ηs<0.4。NMRV130減速機-特點:
NMRV130減速機是我公司在不斷完善RV系列產品的基礎上研制的新代實用性產品。融合了內外先進技術,具有以下些特點。
傳動平穩,噪音小,適合在惡劣環境中長期連續工作;
散熱效率高;
美觀耐用,體積小;
優質鋁合金鑄造,重量輕,不生銹;輸出扭矩大;
可適應全方位安裝。
NMRV130減速機圖片:(此圖由VEMT推廣部人員上傳,請以實物圖為準,可撥打電話0769-85992468獲取實物圖)
	 
 
NMRV130減速機-主要材料:
蝸輪蝸桿減速機外殼:鋁合金(機座:025-105),鑄鐵(機座:110-130);
蝸桿:20Cr,滲碳淬火,齒面硬度56-62HRC,精磨后保持滲碳層厚度0.3-0.5mm;
蝸輪:耐磨錫青銅。
NMRV130減速機-安裝注意事項:
NMRV130減速機與機械設備裝配之前,要檢查減速機輸出軸的旋轉方向是否正確;
NMRV130減速機與原動機、設備裝配之前,應檢查各軸徑、孔徑、鍵和鍵槽的偏差尺寸,避免裝配過緊、過松影響NMRV130減速機性能;
NMRV130減速機必須牢固的安裝在機械設備上,避免有松動或振動;
盡可能地避免NMRV減速機暴露在烈日陽光下和惡劣環境中;
如果NMRV130減速機存放時間長達4-6個月,應檢查油封是否浸潤在潤滑油中,可能油封唇口會粘在軸上,甚至失去了彈性,由于適合的彈性是油封必須的工作條件,所以推薦更換油封;
所有橡膠件和透氣孔不能沾有油漆;
與NMRV130減速機的空心軸或實心軸配合連接時,應在軸上配合部分涂上潤滑油,以免于卡死或氧化;
使用時必須檢查油位(如油位鏡孔或代開油塞,小型號是沒有的);
使用新NMRV130減速機時,不能滿負載啟動,應該逐步增大負載;
使用各類電機直連型減速機時,若電機重量偏大,應設支撐裝置;
確保電機風扇附近有良好的通風環境,以免影響散熱效果;
NMRV130減速機的標準工作環境溫度是-5°C至40°C,如果不在這范圍時,請與我們技術服務人員聯系。
	 
 
	購買須知:我司VEMT品牌所有系列產品,標準常用的,倉庫均備有現貨2000臺左右,非常用的需排單定做,請聯系客服咨詢貨期。凡購買我司品牌VEMT系列產品,不分價格高低,兩年內免費維修,免費換新。兩年后免費維修,只收取零件成本費用,包含海外以及港澳臺區域。因各種設備企業對產品的要求標準不同,如果您的設備是出口的,請告知客服轉接我司VEMT工程部,告知您的高標準,我們VEMT工程部會為您量身定做百分百符合要求的產品。  
 
跟此產品相關的產品 / Related Products
聯系祥如機電
 全國咨詢熱線
            全國咨詢熱線
            13528634927
微信13528634927

 VEMTE致力于打造節能環保電機減速機電機
VEMTE致力于打造節能環保電機減速機電機
				









