RXF107減速機 RXF107AD RXF107AM高速齒輪減速機詳細信息/Detailed Information
RXF107減速機 RXF107AD RXF107AM高速齒輪減速機
減速機型號:R107 RF107 R107F RM107 RZ107 RX107 RXF107
電機 功率:1.5KW-45KW
輸入 轉速:500-2800RPM
單機 扭矩:5-4300N·M
單機 速比:1.44-251.15比
輸出 轉速:0.6-285rpm/min
斜齒輪傳動,傳動效率95%
交 期:1-10天
        訂購熱線:13528634927
    
                     RXF107是法蘭安裝單級斜齒輪減速機
RXF107AM是AM法蘭輸入的法蘭安裝單級斜齒輪減速機
RXF107AD是AD軸輸入的法蘭安裝單級斜齒輪減速機
RXF107,RXF107AD,RXF107AM系列單級斜齒輪減速機是一種高效、穩定、可靠的減速機器設備,可廣泛應用于各種行業領域中。它具有多種規格和型號,可定制不同的安裝方式,同時具有良好的密封性能和防腐蝕處理,能夠大大提高設備的工作效率,降低成本,保證設備的長期運行穩定性和可靠性。該減速機可以安裝在各種機械設備中,如輸送機、攪拌機、提升機等等,可大大提高設備的工作效率,降低能耗,節省成本。此外,該減速機還能夠適應高負載、高強度的工作環境,可以長期的穩定運行,有效防止設備出現故障和損壞。
RXF107,RXF107AD,RXF107AM系列減速電機型號如下,不同廠家型號表示有差異,具體型號可咨詢客服了解
	

RXF107系列減速機能做到的減速比有:
1比1.44,1比1.71,1比1.95,1比2.3,1比2.64,1比3.07,1比3.81,1比4.2,1比4.65,1比5.19,1比5.61,1比6.63,1比8.38減速機
當上述的減速比配上四極電機之后,能形成的輸出轉速有:
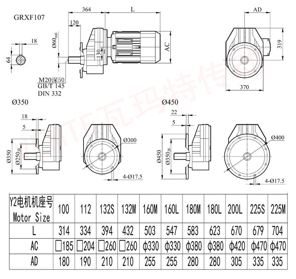
下面是RXF107硬齒面減速機通用的安裝尺寸圖紙,若您需要非標圖紙或三維模型的話,請咨詢客服

對于這種單級減速齒輪箱,在使用后期需要進行相應的維護,比如:
及時檢查和更換潤滑脂。潤滑脂是保持硬齒面減速機正常運轉的重要因素,因此在使用中應定期檢查潤滑脂的使用情況,及時更換或添加新的潤滑脂。此外,在更換潤滑脂時,應注意清洗潤滑系統內的雜質和污染物,以保證潤滑效果。
要經常檢查減速機的齒輪、齒條和軸承等運動部件。這些部件的磨損或故障會直接影響伺服減速機的使用壽命和運轉效率。因此,在使用中應經常檢查這些部件的運行情況,如發現異常情況及時進行維修或更換。同時,還要保持齒輪和齒條的清潔和潤滑。
對于工作環境環境溫度較高的硬齒面減速機,需注意散熱問題。在工作中,減速機內部會產生大量熱量,如果長時間不能散熱將導致溫度升高,影響減速機的正常運轉。因此,應設置適當的散熱設備,保持減速機的溫度在合理范圍,以提高減速機的使用壽命和運轉效率。

更多的同軸斜齒輪減速器型號請點擊→R系列減速機
購買須知:我司VEMT品牌所有系列產品,標準常用的,倉庫均備有現貨2000臺左右,非常用的需排單定做,請聯系客服咨詢貨期。凡購買我司品牌VEMT系列產品,不分價格高低,兩年內免費維修,免費換新。兩年后免費維修,只收取零件成本費用,包含海外以及港澳臺區域。因各種設備企業對產品的要求標準不同,如果您的設備是出口的,請告知客服轉接我司VEMT工程部,告知您的高標準,我們VEMT工程部會為您量身定做百分百符合要求的產品。
                
                
                
            RXF107AM是AM法蘭輸入的法蘭安裝單級斜齒輪減速機
RXF107AD是AD軸輸入的法蘭安裝單級斜齒輪減速機
RXF107,RXF107AD,RXF107AM系列單級斜齒輪減速機是一種高效、穩定、可靠的減速機器設備,可廣泛應用于各種行業領域中。它具有多種規格和型號,可定制不同的安裝方式,同時具有良好的密封性能和防腐蝕處理,能夠大大提高設備的工作效率,降低成本,保證設備的長期運行穩定性和可靠性。該減速機可以安裝在各種機械設備中,如輸送機、攪拌機、提升機等等,可大大提高設備的工作效率,降低能耗,節省成本。此外,該減速機還能夠適應高負載、高強度的工作環境,可以長期的穩定運行,有效防止設備出現故障和損壞。
RXF107,RXF107AD,RXF107AM系列減速電機型號如下,不同廠家型號表示有差異,具體型號可咨詢客服了解
| RXF107-YGP1.5-4P | RXF107AM90L4 | RXF107AD90L4 | 
| RXF107-YGP2.2-4P | RXF107AM100L | RXF107AD100L | 
| RXF107-YGP3-4P | RXF107AM112M4 | RXF107AD112M4 | 
| RXF107-YGP4-4P | RXF107AM132S | RXF107AD132S | 
| RXF107-YGP5.5-4P | RXF107AM132M | RXF107AD132M | 
| RXF107-Y2-7.5-4P | RXF107AM160M4 | RXF107AD160M4 | 
| RXF107-Y2-11-4P | RXF107AM160L4 | RXF107AD160L4 | 
| RXF107-Y2-15-4P | RXF107AM180M4 | RXF107AD180M4 | 
| RXF107-Y2-18.5-4P | RXF107AM200L | RXF107AD200L | 
| RXF107-YVP22-4P | RXF107AM225S4 | RXF107AD225S4 | 
| RXF107-YVP30-4P | RXF107AM225M4 | RXF107AD225M4 | 
| RXF107-YVP37-4P | RXF107-YVP45-4P | 高速齒輪減速電機 | 

RXF107系列減速機能做到的減速比有:
1比1.44,1比1.71,1比1.95,1比2.3,1比2.64,1比3.07,1比3.81,1比4.2,1比4.65,1比5.19,1比5.61,1比6.63,1比8.38減速機
當上述的減速比配上四極電機之后,能形成的輸出轉速有:
211rpm/min,250rpm/min,270rpm/min,301rpm/min,333rpm/min,367rpm/min,414rpm/min,456rpm/min,
530rpm/min,609rpm/min,718rpm/min,819rpm/min,972rpm/min減速機。
如果上述的參數要求不滿足您的設備的實際使用情況的話,您可以咨詢VEMTE選型技術人員給您選型下面是RXF107硬齒面減速機通用的安裝尺寸圖紙,若您需要非標圖紙或三維模型的話,請咨詢客服

對于這種單級減速齒輪箱,在使用后期需要進行相應的維護,比如:
及時檢查和更換潤滑脂。潤滑脂是保持硬齒面減速機正常運轉的重要因素,因此在使用中應定期檢查潤滑脂的使用情況,及時更換或添加新的潤滑脂。此外,在更換潤滑脂時,應注意清洗潤滑系統內的雜質和污染物,以保證潤滑效果。
要經常檢查減速機的齒輪、齒條和軸承等運動部件。這些部件的磨損或故障會直接影響伺服減速機的使用壽命和運轉效率。因此,在使用中應經常檢查這些部件的運行情況,如發現異常情況及時進行維修或更換。同時,還要保持齒輪和齒條的清潔和潤滑。
對于工作環境環境溫度較高的硬齒面減速機,需注意散熱問題。在工作中,減速機內部會產生大量熱量,如果長時間不能散熱將導致溫度升高,影響減速機的正常運轉。因此,應設置適當的散熱設備,保持減速機的溫度在合理范圍,以提高減速機的使用壽命和運轉效率。

更多的同軸斜齒輪減速器型號請點擊→R系列減速機
購買須知:我司VEMT品牌所有系列產品,標準常用的,倉庫均備有現貨2000臺左右,非常用的需排單定做,請聯系客服咨詢貨期。凡購買我司品牌VEMT系列產品,不分價格高低,兩年內免費維修,免費換新。兩年后免費維修,只收取零件成本費用,包含海外以及港澳臺區域。因各種設備企業對產品的要求標準不同,如果您的設備是出口的,請告知客服轉接我司VEMT工程部,告知您的高標準,我們VEMT工程部會為您量身定做百分百符合要求的產品。
跟此產品相關的產品 / Related Products
        祥如機電產品中心
        Product Center
       
        
        聯系祥如機電
 全國咨詢熱線
            全國咨詢熱線
            13528634927
微信13528634927

 VEMTE致力于打造節能環保電機減速機電機
VEMTE致力于打造節能環保電機減速機電機
				









