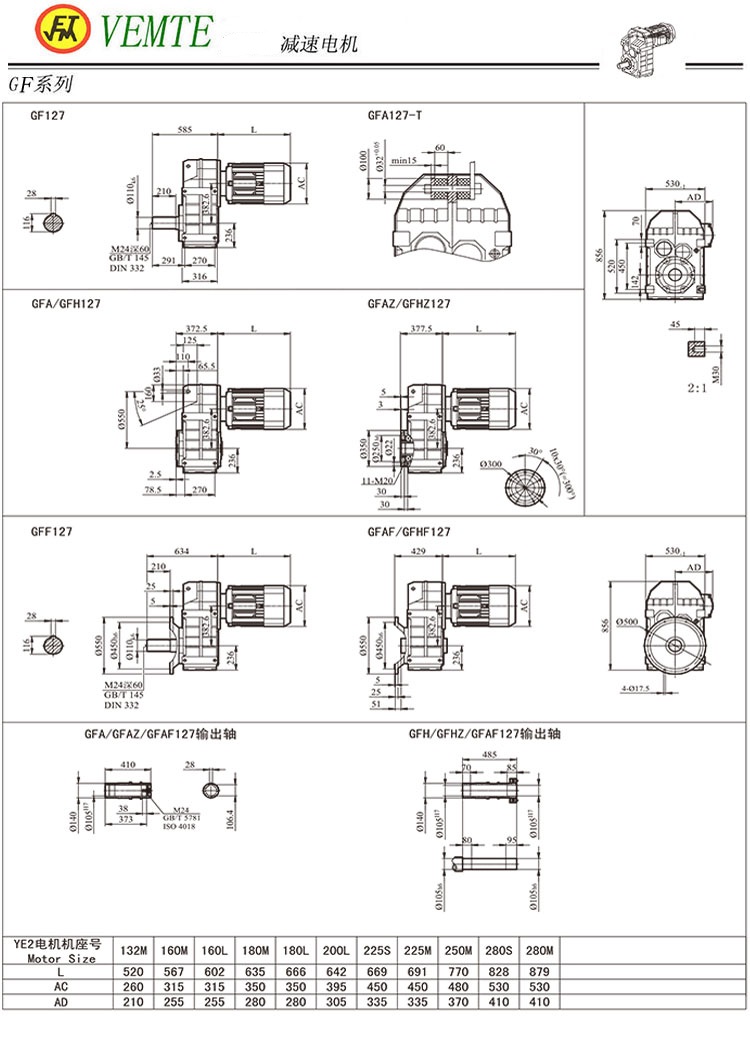
這是tf128減速機,TFA128減速器,TFAF128減速箱以及TFF128減速電機的具體的型號以及對應的安裝尺寸。TF128減速機對應的大眾型號為F127減速電機。
| TF128-Y7.5-4P | TFAF128-Y45-4P | TFAF128-Y7.5-4P |
| TF128-Y11-4P | TFAF128-Y55-4P | TFAF128-Y11-4P |
| TF128-Y15-4P | TFAF128-Y75-4P | TFAF128-Y15-4P |
| TF128-Y18.5-4P | TFAF128-Y90-4P | TFF128-Y7.5-4P |
| TF128-Y22-4P | TFF128-Y55-4P | TFF128-Y11-4P |
| TF128-Y30-4P | TFF128-Y75-4P | TFF128-Y15-4P |
| TFA128-Y55-4P | TFF128-Y90-4P | TFF128-Y18.5-4P |
| TF128-Y45-4P | TFA128-Y45-4P | TFA128-Y7.5-4P |
| TF128-Y55-4P | 平行軸減速機 | TFA128-Y11-4P |
| TF128-Y75-4P | TFA128-Y75-4P | TFA128-Y15-4P |
| TF128-Y90-4P | TFA128-Y90-4P | TFAF128-Y18.5-4P |
| TFA128-Y18.5-4P | TFF128-Y22-4P | TFAF128-Y22-4P |
| TFA128-Y22-4P | TFF128-Y30-4P | TFAF128-Y30-4P |
| TFAF128-Y37-4P | TFF128-Y37-4P | TFF128-Y45-4P |
| TFA128-Y30-4P | TF128-Y37-4P | TFA128-Y37-4P |
下一篇:TF158系列齒輪減速機型號上一篇:TF108系列平行軸減速機型號
此文關鍵字:TF128平行軸減速機型號
















