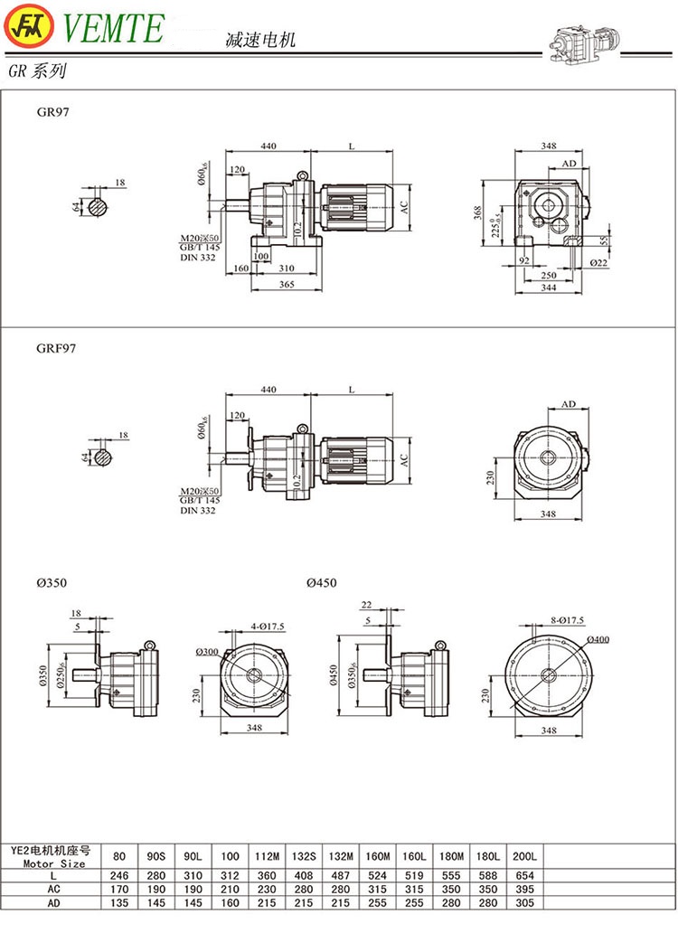
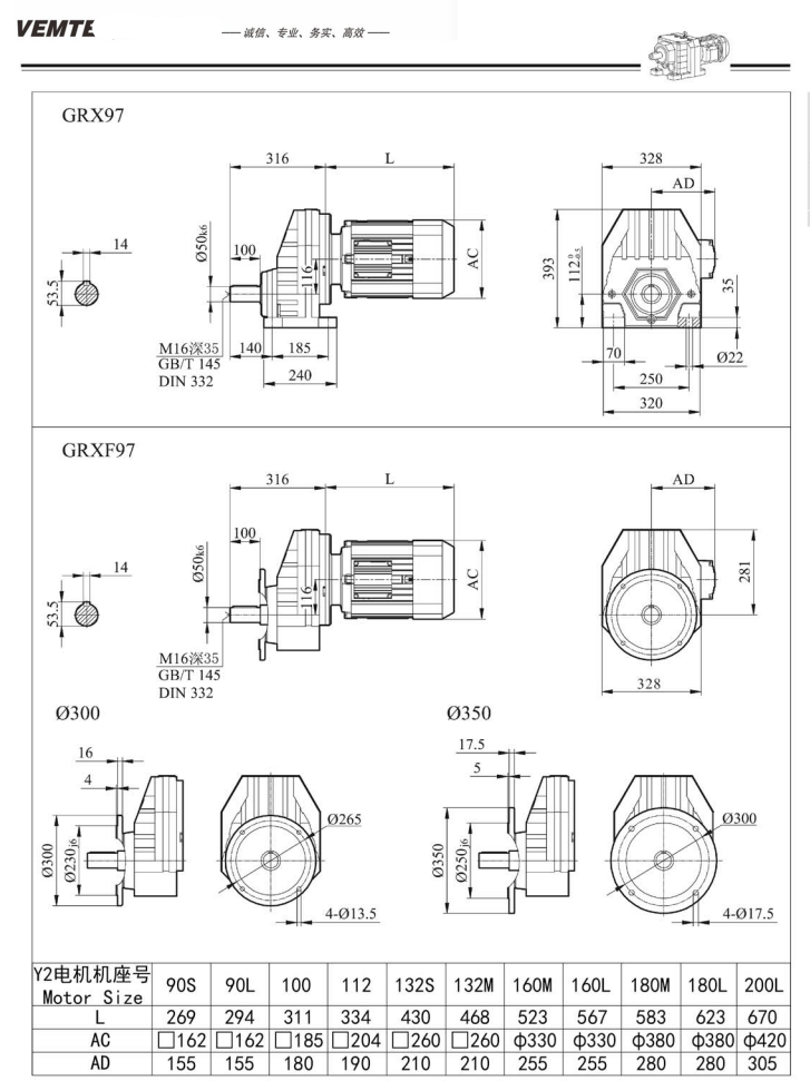
這是R06減速機,RF06立式減速機,RX06小速比減速器以及RXF06齒輪減速機具體的型號以及對應的安裝尺寸。R06減速機對應的常規的型號為R97。
| R06DM80M1 | RX06DM80M1 | RXF06DM100M |
| R06DM80M2 | RX06DM80M2 | RXF06DM100L |
| R06DM90S | RX06DM90S | RXF06DM112M |
| R06DM90L | RX06DM90L | RXF06DM132S |
| R06DM100M | RX06DM100M | RXF06DM132M |
| R06DM100L | RX06DM100L | RF06DM100M |
| R06DM112M | RXF06DM80M1 | RF06DM100L |
| R06DM132S | RXF06DM80M2 | RF06DM112M |
| R06DM132M | RXF06DM90S | RF06DM132S |
| R06DM132L | RXF06DM90L | RF06DM132M |
| R06DM160M | RF06DM80M1 | RX06DM112M |
| R06DM160L | RF06DM80M2 | RX06DM132S |
| R06DM180M | RF06DM90S | RX06DM132M |
| R06DM180L | RF06DM90L | RX06DM132L |
| R06DM200L | RF06DM132L | RXF06DM180M |
| RXF06DM132L | RF06DM160M | RXF06DM180L |
| RXF06DM160M | RF06DM160L | RXF06DM200L |
| RXF06DM160L | RX06DM160M | RX06DM180M |
| RX06DM200L | RX06DM160L | RX06DM180L |
下一篇:R07系列齒輪減速機型號上一篇:R05系列齒輪減速機型號
此文關鍵字:R06系列齒輪減速機型號
















