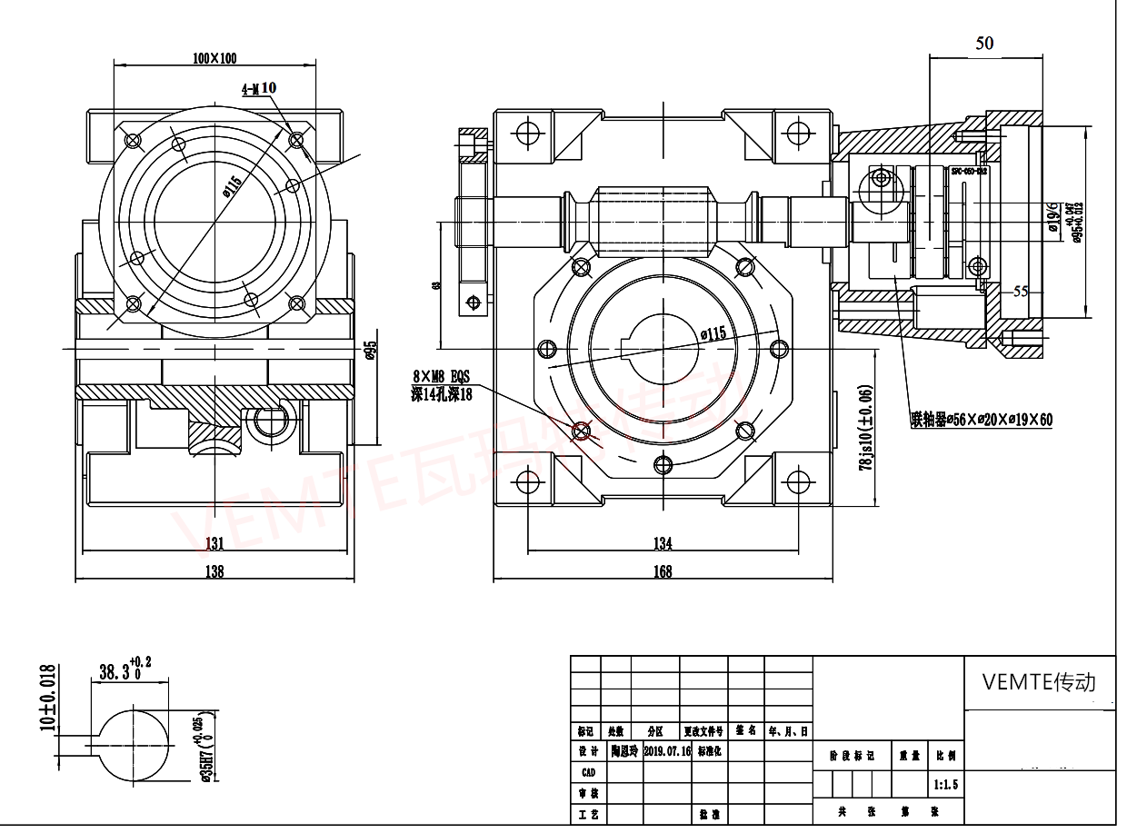
jdlb075高精度雙導程減速機JDLB075
雙導程減速機是一種減速機構,它采用兩個螺旋線,其中一個螺旋線的導程比另一個螺旋線的導程大,從而實現減速的效果。它具有傳動平穩、噪音低、效率高等優點,廣泛應用于工業生產中的各種機械設備中。
若您需要對應型號的高清尺寸圖紙以及對應的性能參數,請聯系客服


雙導程減速機是一種減速機構,它采用兩個螺旋線,其中一個螺旋線的導程比另一個螺旋線的導程大,從而實現減速的效果。它具有傳動平穩、噪音低、效率高等優點,廣泛應用于工業生產中的各種機械設備中。
若您需要對應型號的高清尺寸圖紙以及對應的性能參數,請聯系客服


此文關鍵字:jdlb075高精度雙導程減速機JDLB075
















