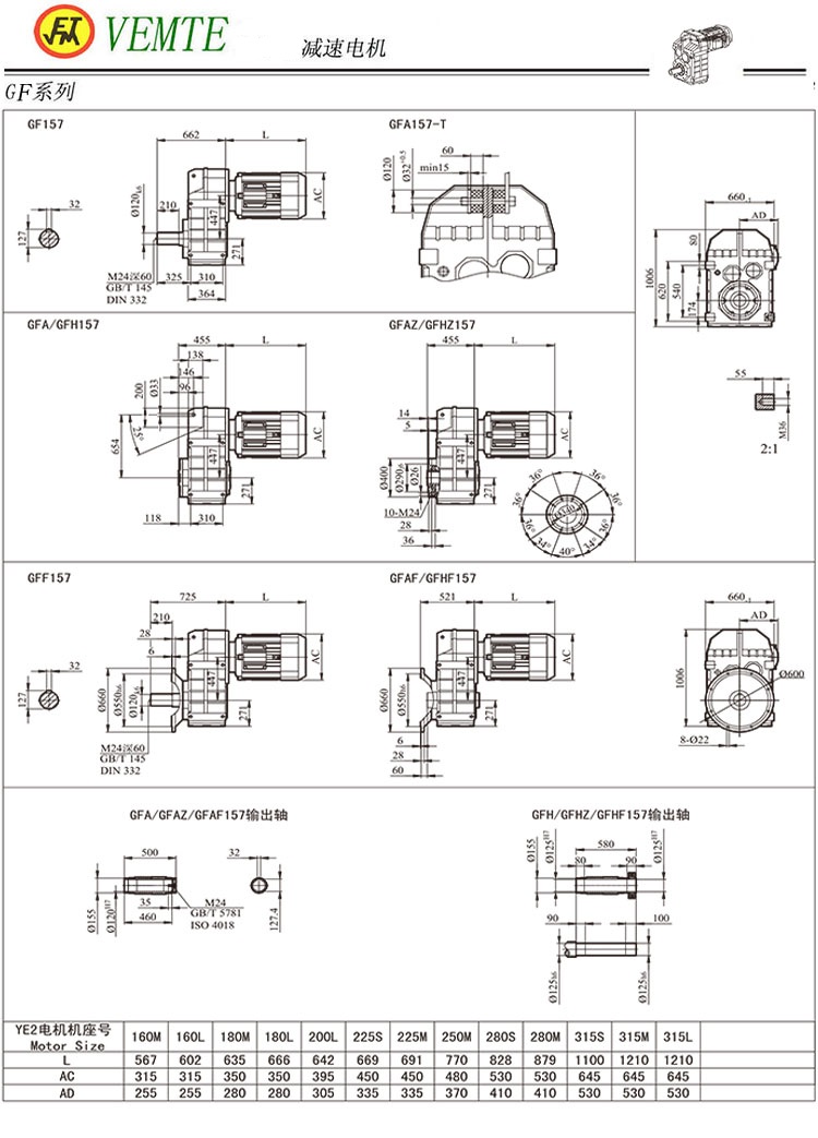
這是F10減速機,FA10減速器,FAF10減速電機以及FF10平行軸減速機的一些具體的型號以及對應的安裝尺寸圖紙。而F10系列減速機對應的大眾的型號為F157減速機。
| F10DM160M | FF10DM225S | FA10DM160M |
| F10DM160L | FF10DM225M | FA10DM160L |
| F10DM180M | FF10DM280S | FA10DM180M |
| F10DM180L | FF10DM280M | FA10DM180L |
| F10DM200L | FF10DM315S | FF10DM160M |
| F10DM225S | FF10DM315M | FF10DM160L |
| F10DM225M | F系列減速機 | FF10DM180M |
| F10DM280S | FA10DM225S | FF10DM180L |
| F10DM280M | FA10DM225M | FF10DM200L |
| F10DM315S | FAF10DM200L | FAF10DM160M |
| F10DM315M | FAF10DM225S | FAF10DM160L |
| FA10DM280S | FAF10DM225M | FAF10DM180M |
| FA10DM280M | FAF10DM280S | FAF10DM180L |
| FA10DM315S | FAF10DM280M | FAF10DM315S |
| FA10DM315M | FAF10DM315M | FA10DM200L |
下一篇:TR18系列齒輪減速機型號上一篇:F09系列平行軸減速機型號
此文關鍵字:F10系列齒輪減速機型號
















